среда, 6 февраля 2013 г.

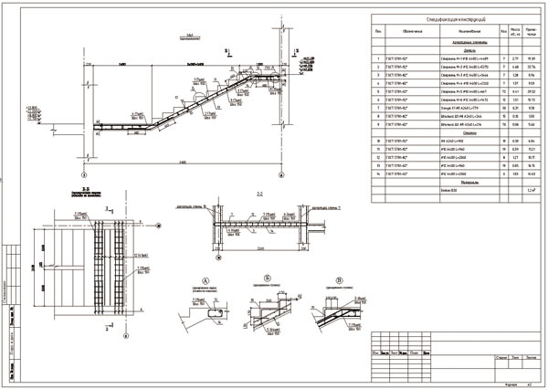
как армировать лестничный марш

САПР и графика  9'2010

Д о б р о   п о ж а л о в а т ь   н а   W e b   -   с е р в е р   ж у р н а л а   С А П Р   и   г р а ф и к а

Журнал "САПР и графика" | (69-73) Выше на девять ступеней. Армирование лестничного марша с применением программы ProjectPStudioСSPКонструкции 5.1

Комментариев нет:

Отправить комментарий